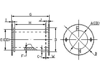
Check the main design dimensions: XR-50
|
Icon code |
Design size |
Tolerance |
|
A |
24.20 | Minimum value |
| B | 41.30 | The maximum value |
| C | 2.80 | Minimum value |
| D | 32.10 | Reference |
| E | 26.50 | Reference |
| F | 1.15 |
±0.10 |
| G | 50.10 | The maximum value |
| H | 39.70 |
±0.30 |
| I | 1.60 |
±0.10 |
| J | 3.00 |
±0.10 |
| W | 1.25 | Reference |
● Detection tool:digital caliper or micrometer.
● Indicate the code for inspection.
● the number of outlet slot 5×2,hanging hook 2.
● hole A is not roundness≤0.30mm,both sides of the hobbing plane unevenness≤0.30mm,no significant warping.
● hole hole anastomosis is not allowed to have a step,feel smooth and unimpeded.
● no residual shape or damage,color is no different normal
● finish up to▽7 or more,but allow for harmless scars and miniatures.
● Metal-free impurities or other debris,containing metal,debris products,must be waste separation.
● no melting marks,no internal pores bright spot.There are stomatal highlights(excluding melting marks)products for foreign goods.
● no flash,burr and excess material.Key parts of the burr≤0.05 mm.
● anti-pressure≥25 kg/square centimeter,no damage.
● feel a strong elasticity,and not brittle.
● hardness,wear resistance are suitable for high-speed heavy-duty rotation.
● Selection of raw materials must meet the requirements of the EU ROHS directive,and has UL yellow card certification and fixed-point supply.
● heat distortion temperature≥120 degrees Celsius,insulation resistance must be≥1000M ohm,flame retardant UL94Vo level/0.8-3.2mm.
● other structures should meet the transformer manufacturing process as the standard.
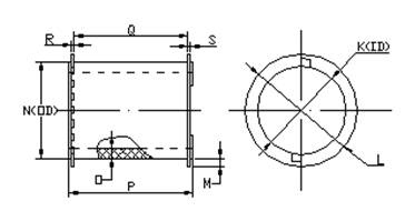
Check the main design according to the design size: XR-50 outside
|
Icon code |
Design size |
Tolerance |
| K | 32.40 | ± |
| L | 41.10 | The maximum value |
| M | 3.15 | Minimum value |
| N | 34.70 | ± |
| O | 1.15 | ±0.10 |
| P | 44.00 | ± |
| Q | 39.80 | ±0.30 |
| R | 1.15 | ± |
| S | 1.15 | ± |
● Detection tool:digital caliper or micrometer.
● Indicate the code for inspection.
● The number of outlet slots is 6×2.
● hole K is not roundness≤0.30mm,with the inner shell D size with the appropriate fit.
● hole hole anastomosis is not allowed to have a clear step,two pieces of flat after no obvious warping,splicing seam≤0.20mm.
● shape no defect or damage,allowing anastomosis in the absence of defects,color is no different normal
● finish up to▽7 or more,but allow for harmless scars and miniatures.
● Metal-free impurities or other debris,containing metal,debris products,must be waste separation.
● no melting marks,no internal pores bright spot.There are stomatal highlights(excluding melting marks)products for foreign goods.
● no flash,burr and excess material.Key parts of the burr≤0.05 mm.
● anti-pressure≥25 kg/square centimeter,no damage.
● feel a strong elasticity,and not brittle.
● Selection of raw materials must meet the requirements of the EU ROHS directive,and has UL yellow card certification and fixed-point supply.
● heat distortion temperature≥120 degrees Celsius,insulation resistance must be≥1000M ohm,flame retardant UL94Vo level/0.8-3.2mm.
● other structures should meet the transformer manufacturing process as the standard.

